36162 pnc 005 アマゾン

指用 サポーター 手指保護用カバー スポーツ バスケ 野球 テニス フィンガーサポーター 突き指防止 ナイロン生地 伸縮性 期間限定今なら送料無料 快適 レディース メンズ 吸汗速乾 運動用 10個入り シンプル プロテクター フィンガースリーブ
replacement parts dorman 698 378 front right loaded knuckle for the nissan altima automotive pw mfg com
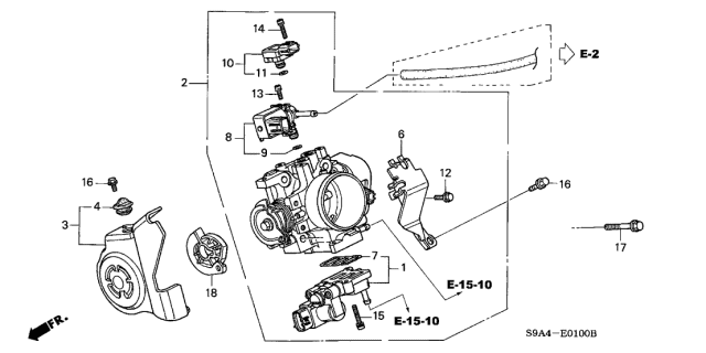
amazon co jp ホンダアキュラシビックcr v 2002 2003 2004 2005の新しい蒸気キャニスターパージソレノイドバルブ 36162 pnc 005 k5t46680 36162pnc005 家電 カメラ
vapor canister purge control solenoid for 2002 2005 honda civic 2 0l crv acura rsx exhaust emissions solenoids
wflnhb vapor canister purge control solenoid valve for honda civic cr v crv acura 36162 pnc 005 automotive replacement parts
travelambo rfid blocking leather passport holder cover case travel wallet elastic strap blue ch prussia blue
valvula solenoide 36162 pnc 005 k5t46680 valvula solenoide de control de purga de bote de vapor para cr v creeo com br































%2C445%2C291%2C400%2C400%2Carial%2C12%2C4%2C0%2C0%2C5_SCLZZZZZZZ_.jpg)



























































